Pièces de rechange - Stihl 064
Pièces détachées et de rechange d'origine pour tronçonneuse thermique Stihl 064.
Pour connaitre la référence de la pièce recherchée :
- Téléchargez la ou les vues éclatées de la machine ci-dessous :
- Localisez la pièce recherchée d'après les schémas du constructeur
- Identifiez la référence correspondante de la pièce dans la liste des pièces associée au schéma
- Saisissez ensuite la référence exacte dans le moteur de recherche de pièces de rechange ci-dessous (sans espace, ni tiret)
Vous ne trouvez pas la pièce recherchée ?
Pour toute demande d'ajout de pièces au catalogue ou pour toute aide pour déterminer une pièce,
n'hésitez pas à nous contacter.
-
Anneau de joint en stock
Réf. 0000-992-71011,06 €Pièce de rechange Stihl / Vicking.
NOUS AVONS CE PRODUIT EN STOCK
-
-
-
-
-
-
-
-
-
-
-
-
-
-
-
-
-
Crépine d'aspiration
Réf. 0000-350-35188,81 €Pièce de rechange Stihl / Vicking.
remplace référence 0000-350-3504 et 0000-350-3515
-
-
-
-
-
-
-
-
-
-
-
-
-
Clavette demi-lune 2 x 3.7
Réf. 1120-036-85001,50 €Pièce de rechange Stihl / Vicking.
Clavette de volant magnétique
-
-
-
-
-
-
-
-
-
-
-
-
-
-
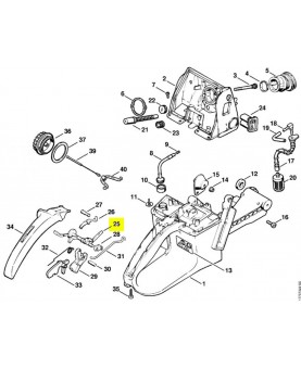
Jeu pignon a anneau 3/8 7 dts
Réf. 1122-007-100067,01 €Repères 25 à 28
Pignon entrainement chaine à bague 3/8 7 Dents
-
-
-
-
-
-
-
-
-
-
-
-
-
-
-
-
-
-
-
-
Bougie BPMR7A Stihl
Réf. 0000-400-70004,00 €Bougie ngk bpmr7a ou bosch wsr6f
Dimension de la clé : 21 mm.
Diamètre du filetage : 14 mm.
Longueur du filetage : 9.5 mm.
Ces types de bougies sont utilisés par Stihl en première monte sur la plupart des machines à moteurs 2 Temps.
Sauf sur les machines suivantes :
-
-
-
-
-
-
-
-
-