Pièces de rechange - Stihl 018
Pièces détachées et de rechange d'origine pour tronçonneuse thermique Stihl 018.
Pour connaitre la référence de la pièce recherchée :
- Téléchargez la ou les vues éclatées de la machine ci-dessous :
- Localisez la pièce recherchée d'après les schémas du constructeur
- Identifiez la référence correspondante de la pièce dans la liste des pièces associée au schéma
- Saisissez ensuite la référence exacte dans le moteur de recherche de pièces de rechange ci-dessous (sans espace, ni tiret)
Vous ne trouvez pas la pièce recherchée ?
Pour toute demande d'ajout de pièces au catalogue ou pour toute aide pour déterminer une pièce,
n'hésitez pas à nous contacter.
-
-
-
-
-
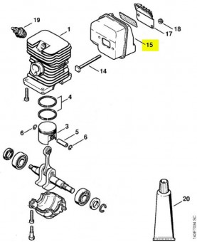
Carter de vilebrequin
Réf. 1130-021-250416,02 €Pièce de rechange Stihl / Vicking.
Remplace référence 1130-021-2505
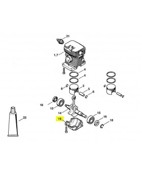
-
-
-
-
Jeu de joints
Réf. 1130-007-106127,71 €Jeu de joints pour carburateur C1Q S57
Contient joint 11301290901 ; membrane 11301214700 ; membrane 11301214800 et joint 11301290900
-
-
-
Crépine d'aspiration
Réf. 0000-350-35008,95 €Crépine aspirante.
Pièce de rechange Stihl / Vicking.
-
Rondelle d'arrêt (anneau)
Réf. 0000-958-10221,90 €Pièce de rechange Stihl / Vicking.
Remplace référence 0000-958-1021
-
-
Roulement 10x13x10
Réf. 9512-933-22609,17 €Pièce de rechange Stihl / Vicking.
Roulement 10 x 13 x 10 mm
-
-
-
-
Vis cylindrique IS-D5x24
Réf. 9075-478-41591,27 €Pièce de rechange Stihl / Vicking.
prix unitaire.
-
-
-
-
-
-
-
-
-
-
-
-
-
Tube de pâte d'étanchéité HT rouge
Réf. 0783-830-200021,60 €Tube de pâte étanche Dirko ou Pactan rouge.
Remplace référence 0783-830-2018
-
-
Filtre a air
Réf. 1130-124-08002,44 €Pièce de rechange Stihl / Vicking.
Attention plusieurs montages possible
-
-
-
-
-
-
-
-
-
-
-
-
-
Bague
Réf. 9638-003-158116,12 €Bague étanche 15x25x5, remplace référence 96399511585
Prix unitaire
-