Pièces de rechange - Stihl MS 170
Pièces détachées et de rechange d'origine pour tronçonneuse thermique Stihl MS 170.
Pour connaitre la référence de la pièce recherchée :
- Téléchargez la ou les vues éclatées de la machine ci-dessous :
- Localisez la pièce recherchée d'après les schémas du constructeur
- Identifiez la référence correspondante de la pièce dans la liste des pièces associée au schéma
- Saisissez ensuite la référence exacte dans le moteur de recherche de pièces de rechange ci-dessous (sans espace, ni tiret)
Vous ne trouvez pas la pièce recherchée ?
Pour toute demande d'ajout de pièces au catalogue ou pour toute aide pour déterminer une pièce,
n'hésitez pas à nous contacter.
-
-
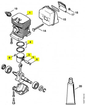
Rondelle d'arrêt (anneau)
Réf. 0000-958-10221,91 €Pièce de rechange Stihl / Vicking.
Remplace référence 0000-958-1021
-
Manette des gaz
Réf. 1130-182-10025,70 €Pièce de rechange Stihl / Vicking.
Remplace référence 1130-182-1000
-
-
-
-
-
-
-
-
-
-
-
-
-
-
-
-
-
Roulement 10x13x10
Réf. 9512-933-22609,00 €Pièce de rechange Stihl / Vicking.
Roulement 10 x 13 x 10 mm
-
-
-
-
-
-
-
-
-
-
-
-
-
Tube de pâte d'étanchéité HT rouge
Réf. 0783-830-200026,75 €Tube de pâte étanche Dirko ou Pactan rouge.
Remplace référence 0783-830-2018
-
Jeu de joints
Réf. 1130-007-106127,11 €Jeu de joints pour carburateur C1Q S57
Contient joint 11301290901 ; membrane 11301214700 ; membrane 11301214800 et joint 11301290900
-
Filtre a air
Réf. 1130-124-08002,40 €Pièce de rechange Stihl / Vicking.
Attention plusieurs montages possible
-
-
-
-
-
-
-
-
Bougie BPMR7A Stihl
Réf. 0000-400-70004,00 €Bougie ngk bpmr7a ou bosch wsr6f
Dimension de la clé : 21 mm.
Diamètre du filetage : 14 mm.
Longueur du filetage : 9.5 mm.
Ces types de bougies sont utilisés par Stihl en première monte sur la plupart des machines à moteurs 2 Temps.
Sauf sur les machines suivantes :
-
Service kit n°45 tronçonneuse MS 170 et MS 180 Stihl
Réf. 1130-007-410311,20 €Kit d’entretien pour les tronçonneuses STIHL MS 170 et MS 180. Prolongez la durée de vie de votre machine grâce à une maintenance proactive.
Composé de :1 Filtre à air en tissu non tissé, de 1 Filtre à carburant (crépine) et d'une Bougie d'allumage NGK CMR6H