

Tronçonneuses, chaines et guides
Tondeuses et faucheuses
Tondeuses robots
|
Tracteurs tondeuses
Débroussailleuses et coupe-bordures
Taille-haies
Broyeurs
|
Motobineuses et motoculteurs
Scarificateurs
Souffleurs et aspirateurs
Balayeuses
Nettoyeurs
Pulvérisateurs
|
Combi-systèmes
Outils sur perche
Sécateurs à batterie
Découpeuses
Tarières
Déneigeuses
Récolteuses d’olives
|
Lames de scie à ruban bois
Kubota
Carburateurs
Moteurs thermiques
|
Courroies
|
Roues fixes et oscillantes
|
Ressorts adaptables
|
Lames de coupe
|
Filtres à air
|
Affûtage
|
Consommables
|
|
|
|
Vêtements
|
Chaussants
|
Accessoires forestiers, outillage à mains
|
Protections
|
|
Pièces détachées d'origine
|
|
Documentation
|
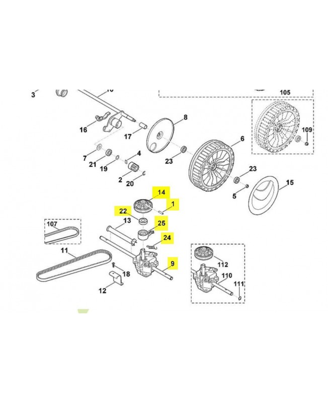
Pièce de rechange Stihl / Vicking.
Remplace référence 6340-640-0112
pour machine avec numéro de série supérieur à 4 33 096 887
(montages précédents plus livrable)
Paiement par virement bancaire ou par CB sécurisé 3D Secure / Crédit Agricole
À domicile ou en point relais. Expédition sous 3 à 10 jours ouvrés. Livraison offerte dès 160 €
Garanties constructeurs des pièces de marques. Retours ou échanges produits
Pièce de rechange Stihl / Vicking.
Remplace référence 6340-640-0112
pour machine avec numéro de série supérieur à 4 33 096 887
(montages précédents plus livrable)