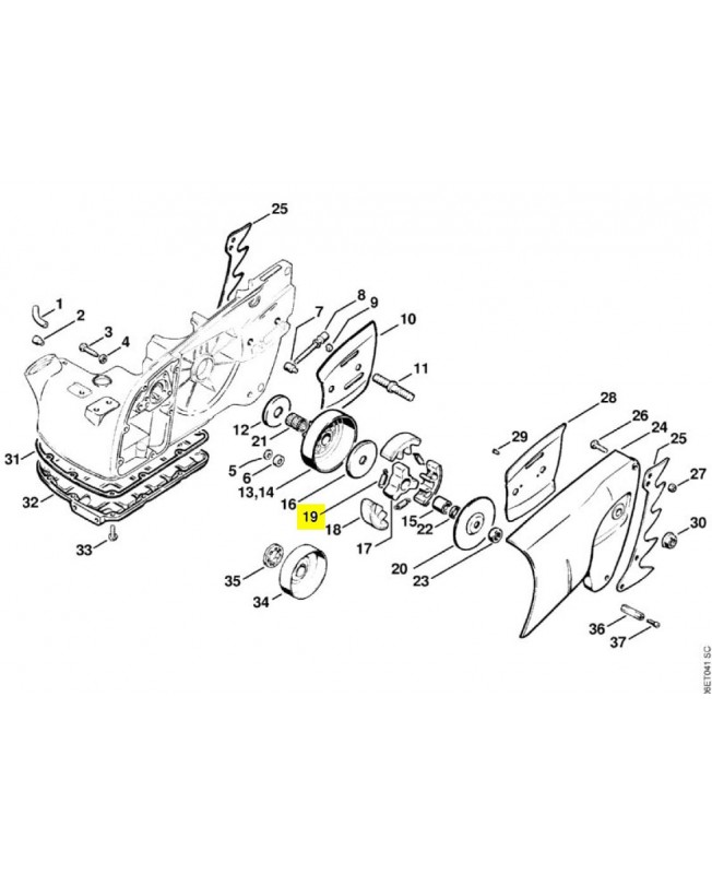
Ressort

Pièce de rechange Stihl / Vicking.

0000-997-5909
3,79 €
TTC

  Paiement & Sécurité

Paiement par virement bancaire ou par CB sécurisé 3D Secure / Crédit Agricole

  Expédition & Livraison

À domicile ou en point relais. Expédition sous 3 à 10 jours ouvrés. Livraison offerte dès 160 €

  Garantie & SAV

Garanties constructeurs des pièces de marques. Retours ou échanges produits

Pièce de rechange Stihl / Vicking.

0000-997-5909